
Principios de funcionamiento y características de la máquina secadora al vacío
El agua pura tiene mayor velocidad de evaporación bajo condiciones de ebullición. Con una presión normal, el agua pura empieza a hervir a 100℃. En el vacío, el punto de ebullición puede ser reducido de gran forma y entre más alta es la presión, más baja será el punto de ebullición. En la máquina secadora al vacío, el agua evaporada puede ser renovada rápidamente por el sistema al vacío. Por lo tanto, esta secadora tiene mayor capacidad de secado aunque opera a una temperatura más baja.
La materia prima esta bajo condiciones estáticas durante la operación del equipo, que es un beneficio para el mantenimiento de la condición inicial del material. El funcionamiento intermitente puede ajustar las condiciones del proceso en cualquier momento.
La máquina secadora al vacío FZG con sistema de secado esta diseñada para abordar el problema del retorno de agua condensada. Adicionalmente, la succión de aire es aplicada lateralmente para mejorar la eficiencia el secado.
Este equipo puede ser usado para bajas temperaturas de secado, recuperación de solvencia y la fuente de calor utilizada puede ser vapor, agua caliente o aceite de conducción al calor.
La máquina secadora al vacío es especialmente ajustada para materiales que son fácilmente oxidados durante el secado.
| Nombre del estilo | YZG-600 | YZG-800 | YZG-1000 | YZG-1400 | FZG-10 | FZG-15 | FZG-20 |
| Tamaño de la cámara interior (mm) | Φ600×976 | Φ800×1320 | Φ1000×1530 | Φ1400×2080 | 1500x1040x1220 | 1500x1400x1200 | 1500x1800x1200 |
| Tamaño de la cámara exterior (mm) | 750×950 ×1050 |
950×1210 ×1350 |
1150×1410 ×1600 |
1550×1900 ×2150 |
1676×1700 ×1564 |
1676×2060 ×1564 |
1676×2500 ×1564 |
| Capa de soporte | 4 | 8 | 12 | 32 | 20 | 32 | 48 |
| Capa de intervalo (mm) | 85 | 100 | 100 | 100 | 120 | 120 | 120 |
| Tamaño de la bandeja (mm) | 310×600×45 | 640×460×45 | 640×460×45 | 640×460×45 | 640×460×45 | 640×460×45 | 640×460×45 |
| Cantidad de bandeja | 4 | 12 | 32 | 32 | |||
| Presión de trabajo dentro de la tubería de soporte (Mpa) | ≤0.784 (8kg/cm2) | ≤0.784 | ≤0.784 | ≤0.784 | ≤0.784 | ≤0.784 | ≤0.784 |
| Temperatura de funcionamiento de soporte (℃) | 35~150 | 35~150 | 35~150 | 35~150 | 35~150 | 35~150 | 35~150 |
| Grados al vacío dentro de la cámara cuando el trabajo es inactivo (Mpa) | -0.1 | -0.1 | -0.1 | -0.1 | -0.1 | -0.1 | -0.1 |
| Bajo condiciones de -0.1Mpa y 110℃, rango de evaporación de agua (Kg/m2h) | 7.2 | 7.2 | 7.2 | 7.2 | 7.2 | 7.2 | 7.2 |
| Cuando la condensación es usada, Modelo y potencia de la bomba al vacío, kW | 2X-15 2kW | 2X-30A 3kW | 2X-70A 5.5 kW | 2X-70A 5.5 kW | 2X-70A 5.5 kW | 2X-70A 5.5 kW | 2X-90A 7.5 kW |
| Cuando la condensación es usada, Modelo y potencia de la bomba al vacío, kW | SZ-0.5 1.5kW | SZ-1 2.2kW | SZ-1 2.2kW | SZ-2 5.5kW | SZ-2 4.0kW | SZ-2 5.5kW | SZ-2 5.5kW |
| Peso neto (kg) | 250 | 600 | 800 | 1400 | 1400 | 2100 | 3200 |
Aplicación de la máquina secadora al vacío
La máquina secadora al vacío es propicia para el secado de materia prima sensible al calor por la industria farmacéutica, industria química, industria alimenticia, industria electrónica, Industria de la medicina tradicional china, entre otros
Características de la máquina secadora al vacío
Esta alcanza una rápida velocidad del secado a una temperatura más baja, lo que hace más eficiente de la energía.
Se puede secar a una temperatura y baja por lo que puede ser utilizado para secar materia prima.sensible al calor
Se puede secar materia prima que contienen disolventes que necesitan ser recuperados.
Antes del secado, la máquina secadora al vacío puede efectuar un tratamiento desinfectante y durante el secado, no permitiendo que entren impurezas.
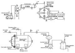
Diagrama de proceso
Notas concerniente a la orden
Cuando usted se encuentre haciendo la orden, por favor escoja el máquina secadora al vacío adecuado a las materias primas a ser secadas, tales como:
Propiedades físicas, humedad inicial, temperatura, grado de vacío, cantidad a ser secada, tiempo de secado, entre otros. La secadora al vacío esta disponible en modelos para cualquier fuente de calor de tres usos: tipo de vapor, tipo agua caliente, aceite conductor de calor.
Los accesorios usados para sistema de secado al vacío mencionados en los instrumentos de manejo; pueden ser proveídos e instalados por nuestra fábrica. Por favor mencione en el momento de la orden.
Podemos también generar diseño especializado, producción e instalación máquina secadora a los vacíos servicios generados para el cumplimiento de los requerimientos.
Estos equipos vienen con garantía de reparación, reemplazo o devolución para productos sub-estándares. También abastecemos partes; para que usted se sienta contento con nuestro servicio.

