الوصف
إن آلة تجفيف التوابل بالرش هي وحدة جديدة لتجفيف بالرش، تصنعها شركتنا على أساس كثير من السنوات من الخبرات في إنتاج التجفيف بالرش. إنها مناسبة لتجفيف وتحبيب المستحلب، سائل التعليق، مواد شبه المعجون الخ. من خلال استخدام التقطيع الدوراني، المواد قابلة لمسح من الجدار الداخلي، مما يتجنب من أي إلصاق وتحسين التجفيف. نظام تجميع التطهير يجمع المتنجات النهائية ويستخدم نظام التحكم الأوتوماتيكي PLC الذكي وغيرها من التكنولوجيات الجديدة، جعل هذه الآلة متقدمة.
الميزات
1. هذه الآلة تستخدم وحدة الرش ﺒﺎﻟﻁﺭﺩ ﺍﻟﻤﺭﻜﺯﻱ بالسرعة العالية، مع سرعة 16000rpm، إنها مناسبة لتجفيف وتحبيب المواد السائلة ذات محتوى الصلب العالي.
2. آلة تجفيف التوابل بالرش تستخدم تكنولوجيا التبريد وإزالة الرطوبة. إنها مناسبة لتجفيف وتحبيب المادة الفسكوزي، الزيت، أو المواد الحساسة الحرارة.
3. تستخدم هذه الآلة نظام التجميع والتطهير ﺒﺎﻟﻁﺭﺩ ﺍﻟﻤﺭﻜﺯﻱ لتجميع المنتجات النهائية في غرفة نظيفة، مما يحقق متطلبات المعيار الصحي، ويتجنب من التلوث من الخارج.
4. تستخدم الوحدة ثلاثة مستويات من نظام تفريغ مستقل وتكنولوجيا رش الغسيل بالمراحل المتعددة لضمان استرداد المواد.
5. التقطيع الدوراني ومسح الجدار بالهواء الداخلي هو يحل المشكلة من المواد اللاصقة على الجدار الداخلي من آلة تجفيف التوابل بالرش.
6. إن هذه الآلة مجهزة مع مقياس درجة الحرارة الأشعة تحت الحمراء، تكنولوجيا التحكم الأوتوماتيكي الذكي. مع استجابة درجة الحرارة الحقيقية، هي تعدل قدرة تغذية المواد السائلة أوتوماتيكيا لضمان جودة المنتجات النهائية. من خلال استخدام تصميم البرنامج، التشفير، التصحيح ومع نظام تشغيل PLC، آلة تجفيف التوابل بالرش تعزز دقة إجراء معلومات العملية بشكل فعال، مما يضمن جودة المنتجات ويحسن مستوى إدارة الإنتاج.
7. من أجل تسهيل استخدام هذه الآلة، يمكن استخدام مصدر التسخين من الكهرباء، البخار، الوقود، أو الغاز الطبيعي وفقا للحالات المختلفة.
8. التكنولوجيا المتقدمة لتجنب من التشويش مستخدمة للتجنب من السدة في وقت تفريغ المنتجات النهائية.
المواصفات التقنية
| الموضوع | البيانات | |||||||
| TPG5 | TPG25 | PG50 | TPG100 | TPG150 | TPG200 | TPG500 | TPG1000 | |
| ≥ كمية تبخر الماء W (Kg/h) | 5 | 25 | 50 | 100 | 150 | 200 | 500 | 1000 |
| ≥ درجة حرارة الهواء الساحن لمدخل (℃) | 220 | |||||||
| ≤ درجة حرارة الهواء لمخرج (℃) | 90 | |||||||
| أسلوب التسخين | كهرباء | كهرباء مع بخار | زيت، غاز، سخان | |||||
| درجة التنظيف لنظام | 300 ألف مستوى | |||||||
| قطر القرص لجهاز الرش (mm) | ¢50 | ¢108 | ¢120 | ¢130 | ¢150 | ¢150 | ¢150 | ¢190 |
| سرعة الدوران لجهاز الرش (r/min) | 35000 | 20500 | 17600 | 17600 | 15500 | 15500 | 15500 | 11570 |
| كمية الإنتاج | حوالي 98.5% | |||||||
الملاحظة: البيانات مغيرة وفقا لمتطلبات الزبائن، البيانات المذكورة لدراسة فقط
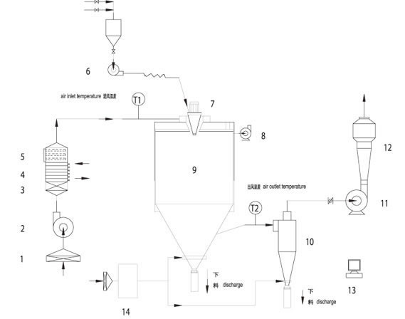
خارطة الانسياب
| 1. فلتر الهواء الفعال المتوسط الأساسي 2. المروحة 3. فلتر الهواء الفعال العالي الفرعي 4. السخان بالبخار 5. السخان الكهربائي 6. مضخة التغذية 7. وحدة الرش 8. مروحة الجدار بالتبريد 9. برج التجفيف |
10. جهاز فصل الهواء 11. مروحة التهوية 12. منفضة الغبار بالفيلم المائي 13. صندوق التحكم 14. آلة إزالة الرطوبة والتبريد |
التطبيقات
إن آلة تجفيف التوابل بالرش مناسبة لاستخدام مع السائل، المعجون، أو المادة الرطبة، مثل شوربة العظم، مسحوق التراب، حمض أميني، مسحوق خل الخ.
أيضا تتمكن من تجفيف المواد الغذائية الأخرى، بياض السمك المسحوق، مسحوق البيض، مسحوق الفطر، الدكسترين، المستخلصات النباتية الخ.
الزبائن النموذجيون
Angsana Food Industries SDN BHD
Muskvale Pty Ltd
Guangdong Huixiangyuan Biology Science Co., Ltd
Hebei Zhongwang Food Group Co., Ltd
Henan Pinzheng Food Co., Ltd
Zhejiang Dingwei Food Co., Ltd
Huabao Group
Beijing North Sunlight Food Additive Co., Ltd
Shanghai Xumei Flavour Co., Ltd